Delta VFD9A0ME43AFSAA 3,7KW 3F 3X460V Inverter EMC + STO + торможение


Код: 14415269057
27252 грн
Цена указана с доставкой в Украину
Товар есть в наличии
КАК ЭКОНОМИТЬ НА ДОСТАВКЕ?
Заказывайте большое количество товаров у этого продавца
Информация
  • Время доставки: 7-10 дней
  • Состояние товара: новый
  • Доступное количество: 1

Покупая «Delta VFD9A0ME43AFSAA 3,7KW 3F 3X460V Inverter EMC + STO + торможение», вы можете быть уверены, что данный товар из каталога «Инверторы» вы получите в срок 5-7 дней после оплаты. Товар будет доставлен из Европы, проверен на целостность, иметь европейское качество.

delta vfd9a0me43afsaa (p: 3,7 кВт, u: 3x460v, i: 9.0a)

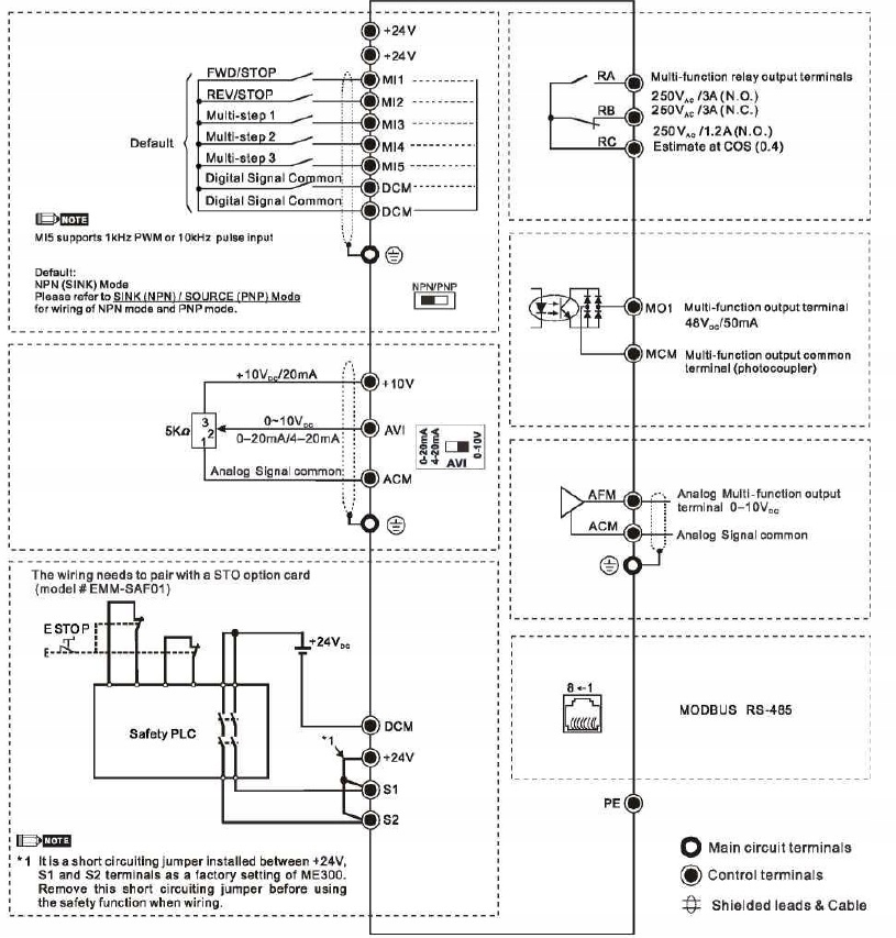
delta vfd-me300 представляет собой компактный привод со встроенным тормозным транзистором, регулятором PID и функциями насоса . модель с встроенной функцией STO (остановите крутящий момент), , которая обеспечивает безопасное отключение и блокировку двигателя в случае сбоя машины, нежелательного запуска. Инвертор может контролироваться скалярным или вектором. По сравнению с более старыми моделями снижение до 60% используемого места. Защитное покрытие и слой плитки PCB были укреплены, что гарантировало лучшую производительность в сложных условиях. Создавая комплексный диск для простых и передовых приложений. Я работаю с асинхронными двигателями (AC), а также с синциксом с прочными магнитами (PM). Полем Используя встроенный порт RJ45, можно подключить инвертор к компьютеру и управлять диском от ПК

  • Выходная частота: от 0,0 до 599 Гц,
  • построенный -в фильтре EMC,
  • Функции насоса,
  • встроенный -ин регулятор PID,
  • Строительный тормозный транзистор,
  • встроенный функция STO -Безопасный крутящий момент выключение и блокировка двигателя, < /li>
  • Перегрузка: 150 % за 1 минуту, 200 % за 3 секунды
  • Связь с помощью встроенного протокола Modbus
  • 5 цифровых входов/1 выход,
  • 1 аналоговый вход/1 выход, выход реле,
  • Импульсное управление и через PWM,
  • Обсадка с ip20,
  • Директива и двигатель : Защита от перерыва, защита от супер -мощности, защита перегрева, защита от атрофии фазы
  • Возможность установки нескольких инверторов подряд,
  • Диапазон рабочих температур: от -20 до +50 градусов C.

Основные функции управления:

  • Переключение двигателя (макс. 2),
  • Быстрый Gear,
  • Функция восстановления энергии при торможении Deb,
  • Функция быстрого торможения,
  • Выбор основного и вспомогательного источника частоты,
  • Временная потеря мощности во время движения,
  • Обнаружение перегрузки,
  • Настройка скорости 16 градусов,
  • Время переключения времени и времени торможения,
  • Кривая фильтр s,
  • Последовательность 3 Wired,
  • Частота бега,
  • Нижняя/верхняя контрольная частота,
  • Контроль PID ,
  • Простая функция позиционирования,
  • Модбус интегрирован как стандартный

delta delta vfd9a0me43afsaa:

  • Размер в: 87,0 мм,
  • Размер h: 157,0 мм,
  • Размер D: 163,0 мм,