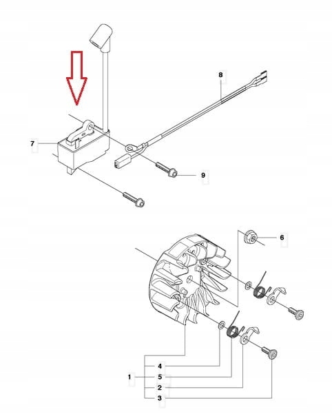
Модуль зажигания катушки Husqvarna 140e, McCulloch CS410, CS450


Код: 17837614939
3515 грн
Цена указана с доставкой в Украину
Товар есть в наличии
КАК ЭКОНОМИТЬ НА ДОСТАВКЕ?
Заказывайте большое количество товаров у этого продавца
Информация
  • Время доставки: 7-10 дней
  • Состояние товара: новый
  • Доступное количество: 98

оригинальный модуль зажигания для Pilarek

husqvarna и mcculloch

Оригинальный номер: 586934501, 5869345-01, 5869345-01, 586 93 45-01. Обозначение модуля mbu-49 iida .

Модуль зажигания подходит для моделей пил:

husqvarna: 140e, 135e, 140, 135 Производство до 2013 года

mcculloch : CS410, CS390, CS350, CS450

Технические данные

Подробные размеры катушки на прикрепленных фотографиях.