Насос 125L/мин + трансмиссия множителя в ВОМ


Код: 17205713295
18545 грн
Цена указана с доставкой в Украину
Товар есть в наличии
КАК ЭКОНОМИТЬ НА ДОСТАВКЕ?
Заказывайте большое количество товаров у этого продавца
Информация
  • Время доставки: 7-10 дней
  • Состояние товара: новый
  • Доступное количество: 252

мультипликатор с гидравлическим насосом

Состав набора:

  • Мультипликатор 1: 3,8
  • Зубной насос 63 см3
  • Подключение сцепления в гидравлических системах вродли в области порока, орквамы, леса, строительство и широкое разложение.

    Сильный и эффективный набор, идеально подходит для малых и средних лесных машин, строительства и тракторов m. В C-330, C-360, C-385, Zetor, MF и другие ролики Wom.

    Используется везде, где оригинальный гидравлический насос, установленный на машине, недостаточно силен и эффективен, или если вам нужна дополнительная новая гидравлическая система, необходимая для управления недавно установленным оборудованием.

    Технические данные набора:

    вызывает, что он может быть установлен или демонтирован довольно быстро, когда оказалось, что нам нужен PTO для другой машины.

Технические данные передачи:

передача: 1: 3,8 Макс. Мощность: 20 кВт

соответствует типичному ролику PTO 1,3/8 "

Вращение на валу PTO: максимум 540 об/мин

имеет видопроизводство, чтобы проверить на уровне. Алюминиевое корпус, стальная передача

Требуется заливка с помощью шестерня

Для первого использования, чтобы увеличить срок службы коробки передач, рекомендуется изменить масло после первых 50 часов рабочих часов. 23 МПа

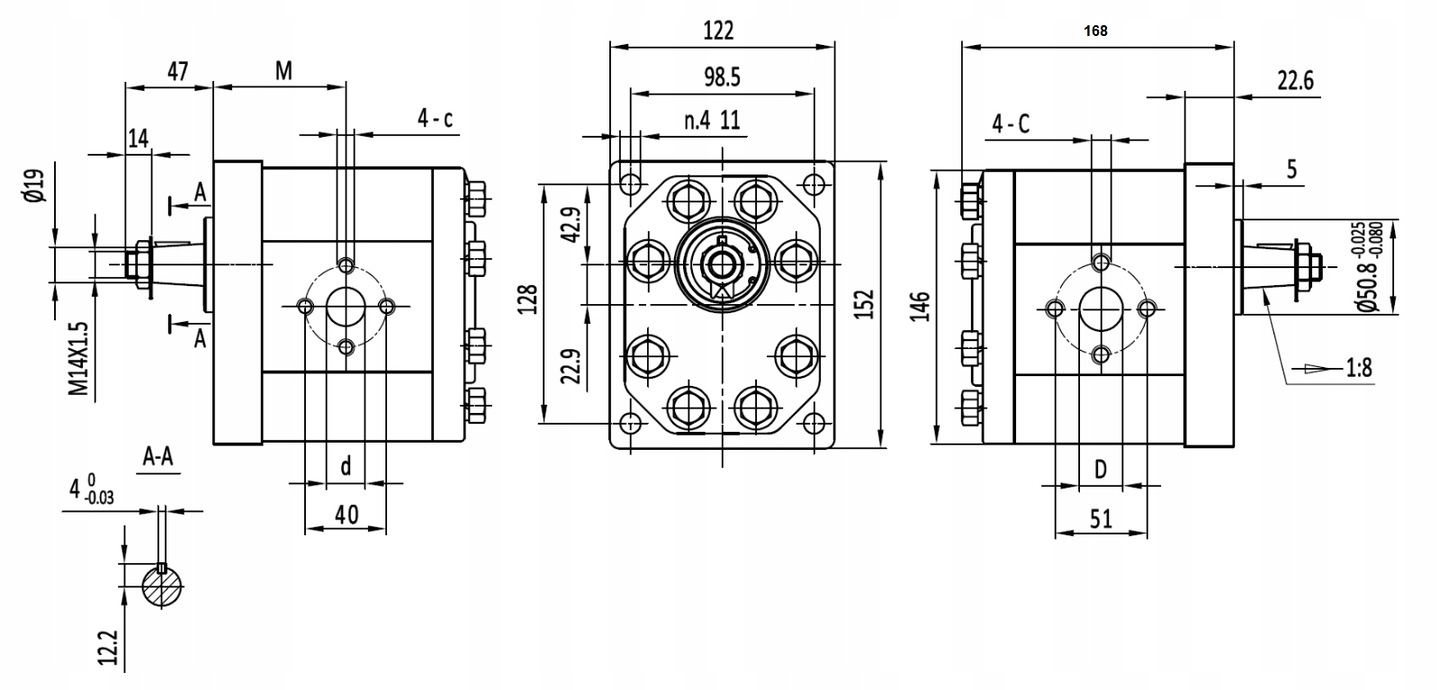
Порт Ssanie D1: 40 мм (4xm8), B1: 19 мм

салфетка для капсула (4xm10), B2: 27 мм

Установите производительность:

Производительность зависит от вращения вала PTO, к которому подключен комплект. Чем выше оборот на ВОМ, тем эффективнее насос.

Установите производительность в L/MIN относительно вращения на валу PTO:

  • 220obr/мин на PTO для PTO 51L/MIN/MIN
  • 320obr/min на PTO 100L/MIN
  • 540obr/min na na pto емкость 125l/min/min
  • 540obr/min na pto pto pto емкость 125l/мин. Установите производительность в L/MIN относительно вращения двигателя в тракторах C-330, C-360, C-385, Zetor, MF 255 и производных:

    • 800obr/мин на производительности двигателя 51 л/мин
    • 1200br/min на способность двигателя 74L/мин.
    • 2000obr/мин на двигателе на емкость двигателя 125L/min

Мы также предлагаем общий ассортимент в области гидравлики силы. Насосы, коллекторы, гидравлические цилиндры, клапаны, гидравлические кабели.

Мы выпускаем 23%НДС

Мы приглашаем вас сотрудничать