Поддержание поддержки


Код: 17503585882
3594 грн
Цена указана с доставкой в Украину
Товар есть в наличии
КАК ЭКОНОМИТЬ НА ДОСТАВКЕ?
Заказывайте большое количество товаров у этого продавца
Информация
  • Время доставки: 7-10 дней
  • Состояние товара: новый
  • Доступное количество: 127

Оплачивая «Поддержание поддержки», вы можете быть уверены, что данное изделие из каталога «Гидравлические агрегаты» вы получите через 5-7 дней после оплаты. Товар будет доставлен из Европы, проверен на целостность, иметь европейское качество.

подшипник с коническим роликом или группой насосов 1

Включен с муфтой

Производство:

Оригинальный продукт бренда гидролидера, символ: 1.37.30.108

Приложение:

hydraulic в агрике.

Прикрепление размещено и защищает ролик или насос двигателя от боковых и эксцентричных напряжений, значительно продлевая срок службы компонента и защищая от распечатывания вала. Тяжесть.

также рекомендуется в случае движения различных типов трансмиссионных ремней и конвейерных лент, а также барабанов у щели и других конструкций с тенденцией к боковому напряжению ролика двигателя.

Прикрепление поворачивает конический ролик с помощью прямых валиков, что значительно облегчает установку, например, шкив.

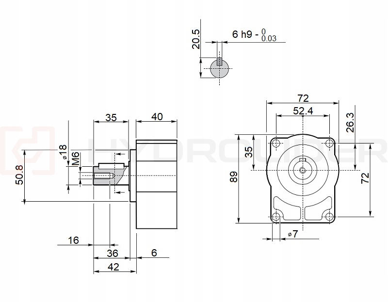
Технические данные:

  • Conteży
  • Размер роликового конуса: 1: 8
  • Диаметр монтажа (блокировка): 72 мм
  • .