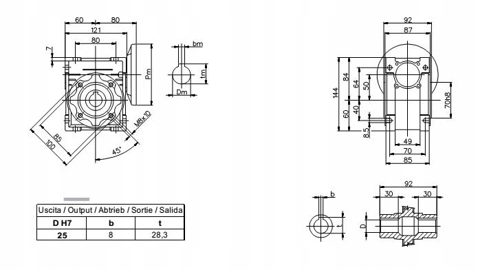
Реакционная рама для коробки передач 050


Код: 16115665859
1306 грн
Цена указана с доставкой в Украину
Товар есть в наличии
КАК ЭКОНОМИТЬ НА ДОСТАВКЕ?
Заказывайте большое количество товаров у этого продавца
Информация
  • Время доставки: 7-10 дней
  • Состояние товара: новый
  • Доступное количество: 1

Покупая «Реакционная рама для коробки передач 050», вы можете быть уверены, что данное изделие из каталога «Редукторы» вы получите через 5-7 дней после оплаты. Товар будет доставлен из Европы, проверен на целостность, иметь европейское качество.

Предложение применяется к реакционным рычагам для передачи/девиза 050

Реакционная рама можно использовать для монтажа привода для устройства, если у нас есть возможность поставить коробку передач непосредственно на ролик устройства.