БАЛКА ВІШАЛКА ГИНАТИ З'єднувач 80x150x75x2 КРОНШТЕЙН


Код: 12823040403
464 грн
Ціна вказана з доставкою в Україну
Товар є в наявності
ЯК ЕКОНОМИТИ НА ДОСТАВКЕ?
Замовляйте велику кількість товарів у цього продавця
Інформація
  • Час доставки: 7-10 днів
  • Стан товару: новий
  • Доступна кількість: 9919

Просматривая «БАЛКА ВІШАЛКА ГИНАТИ З'єднувач 80x150x75x2 КРОНШТЕЙН», вы можете быть уверены, что данный товар из каталога «Соединители и софиты» будет доставлен из Польши и проверен на целостность. В цене товара, указанной на сайте, учтена доставка из Польши. Внимание!!! Товары для Евросоюза, согласно законодательству стран Евросоюза, могут отличаться упаковкой или наполнением.

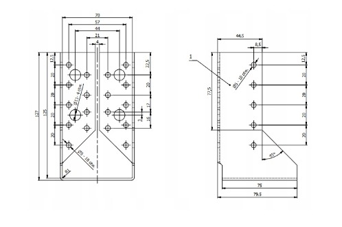
БАЛКА ПІДВІСКА, КРОНШТЕЙН ВИГНУТИЙ 80x150x75x2

Вигнуті всередину підвісні елементи дозволяють прикріпити балку, коли простір обмежений, особливо на вузьких колонах. Крім того, часткове прикриття вішалки між з’єднаними елементами дає кращий візуальний ефект. Додатковий великий діаметр отворів означає, що їх також можна використовувати для кріплення балок до бетонної стіни.

Підвіси виготовлені з оцинкованого сталевого листа товщиною 2 мм .

ПАРАМЕТРИ:

  • ширина - 80 мм
  • висота -150 мм
  • глибина - 75 мм
  • товщина листа - 2 мм
  • матеріал - DX51D + Z275
  • антикорозійний захист - оцинкований
  • кількість отворів -28 отворів ø5мм, 4 отвори ø11мм
  • вантажопідйомність - 17,15кН

Кріплення:

  • Кільцеві цвяхи АНКЕР ø4
  • столярні шурупи для з’єднувачів

ТЕХНІЧНИЙ КРИСУНОК:

  • WBZ14 - 60 x 100 x 75 x 2 [мм]
  • WBZ21 - 70 x 125 x 75 x 2 [мм]
  • WBZ26 - 80 x 120 x 75 x 2 [мм]
  • WBZ27 b> - 80 x 150 x 75 x 2 [мм]
  • WBZ30 - 100 x 140 x 75 x 2 [мм]

ТЕХНІЧНА ДОКУМЕНТАЦІЯ:

  • Європейський технічний сертифікат
  • Декларація продуктивності
  • Сертифікат відповідності заводського контролю виробництва