Двонаправлений 3-фазний лічильник енергії Tuya WiFi для фотовольтаїки


Код: 15535393902
6945 грн
Ціна вказана з доставкою в Україну
Товар є в наявності
ЯК ЕКОНОМИТИ НА ДОСТАВКЕ?
Замовляйте велику кількість товарів у цього продавця
Інформація
  • Час доставки: 7-10 днів
  • Стан товару: новий
  • Доступна кількість: 10

Просматривая «Двонаправлений 3-фазний лічильник енергії Tuya WiFi для фотовольтаїки», вы можете быть уверены, что данное изделие из каталога «Исполнительные элементы» вы получите через 5-7 дней после оплаты. Товар будет доставлен из Европы, проверен на целостность, иметь европейское качество.

WPC-80A - трифазний лічильник споживання та енергії, що працює з додатком Tuya

Трифазний лічильник струму WPC-80A представляє нове покоління інтелектуальних вимірювань пристроїв, призначених для сучасних електроустановок, включаючи фотоелектричні установки. Використовуючи передові технології, цей лічильник забезпечує точне вимірювання струму в обох напрямках: береться з мережі та подається в неї, що має вирішальне значення для користувачів систем відновлюваної енергії.

✅ Функції лічильника WPC -80A:
  • Вимірювання напруги,
  • Вимірювання поточного струму, споживаного та вихідного
  • Вимірювання потужностіу двох напрямках
  • Обчислення спожитої електроенергії для окремих фаз і загальної енергії
  • Обчислення поставленої електроенергії для кожної фази та загальної енергії
  • Вимірювання коефіцієнта потужності
  • li>
  • Співпраця з додатком Tuya
  • Можливість використовувати виміряні значення для створення сцен і керування іншими пристроями Tuya
  • Історія вимірювань до 365 днів

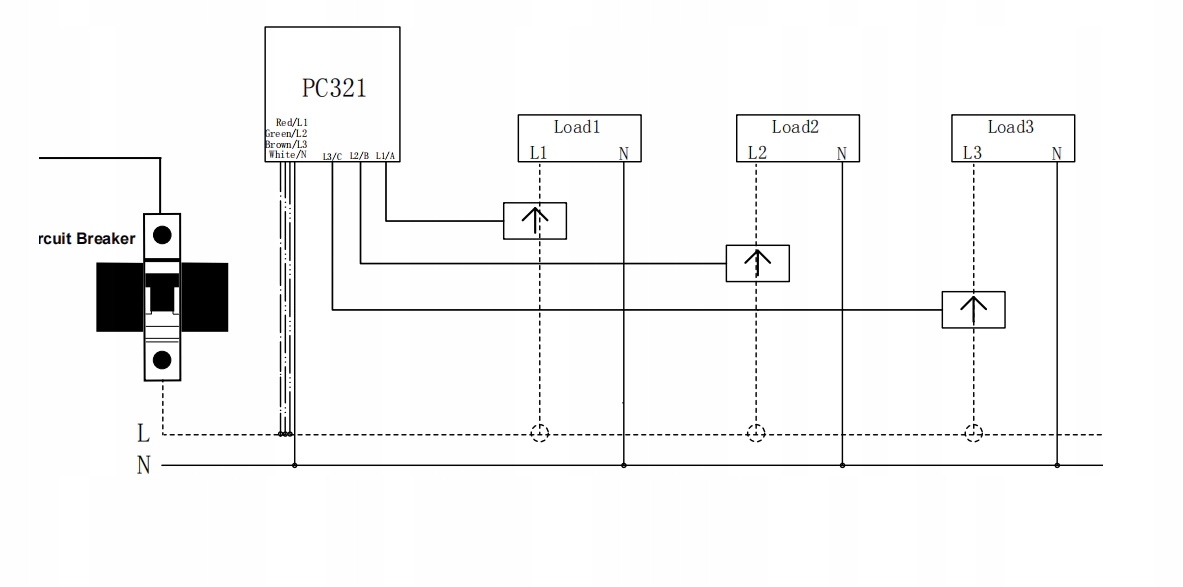
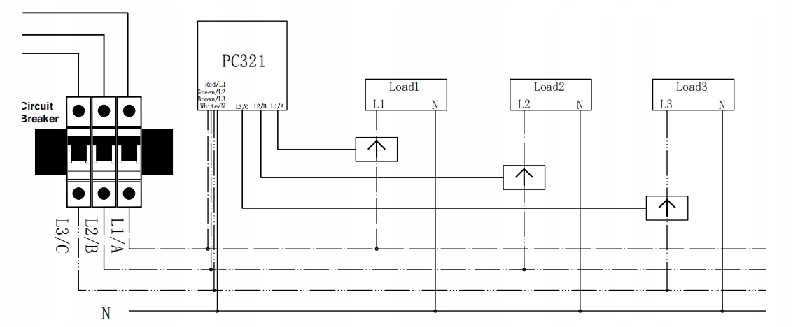
Пристрій може працювати в 3-фазній установці та вимірювати споживання для кожної фази або в однофазній установці та вимірювати споживання енергії для 3 окремих ланцюгів.

✅ Наступні параметри можна використовувати для створення сцен:

  • Напруга на кожній фазі - встановіть окремо меншу\більшу\рівну
  • Струм споживаної потужності на кожній фаза - встановіть окремо менше\більше\рівне
  • Енергія, поглинена кожною фазою - встановіть окремо менше\більше\рівне
  • Енергія, що виділяється на кожній фазі - встановіть окремо менше\більше\рівне< /li>
  • Коефіцієнт потужності для кожної з фаз фаз

✅Технічні характеристики

  • Живлення: AC110-230V ±10%, 50/60Hz
  • Включено три трансформатори струму 80A (внутрішній діаметр трансформатора: 10 мм)
  • Робоча температура: 0°C до + 40°C
  • Споживана потужність пристрою: < 1 Вт
  • Wi-Fi: 802.11 b/g/n 2,4 ГГц
  • Потужність радіосигналу : 1 мВт
  • Зовнішня антена Wi-Fi забезпечує покриття у важкодоступних місцях
  • Можна встановити на DIN-рейку
  • Розмір : 86 мм x 86 мм x 37 мм< /li>
  • Колір: білий

▶️ Комплектація:

  • Вимірювальний модуль з 3 трансформаторами 80A
  • Зовнішня антена Wi-Fi
  • Вішалка для настінного кріплення

Спосіб підключення лічильника для одно- та трифазних установок