OSPC 200 або з реакцією від коліс на кермо


Код: 10482479149
6932 грн
Ціна вказана з доставкою в Україну
Товар є в наявності
ЯК ЕКОНОМИТИ НА ДОСТАВКЕ?
Замовляйте велику кількість товарів у цього продавця
Інформація
  • Час доставки: 7-10 днів
  • Стан товару: новий
  • Доступна кількість: 6

Заказывая «OSPC 200 или с реакцией колеса на руль», вы можете быть уверены, что данное изделие из каталога «Рулевое управление» вы получите через 5-7 дней после оплаты. Товар будет доставлен из Европы, проверен на целостность, иметь европейское качество.

OSPC 200 OSPC OSPC або

Порівняльна кількість інших виробників:

OSPC-200-OSPC; OSPC200OR; 150N2160

Застосування:

має широке використання в рульовому керуванні в промислових машинах та транспортних засобах, що використовуються в транспорті, сільському господарстві, садах, лісовому господарстві, лісовому господарстві, будівництві та промисловості.

OSPC 200 або Orbitrol або призначений для гідравлічного керування рульовим управлінням у сільськогосподарських тракторах, навантажувачах, екскаваторах, комбайнах та будівельних машинах.

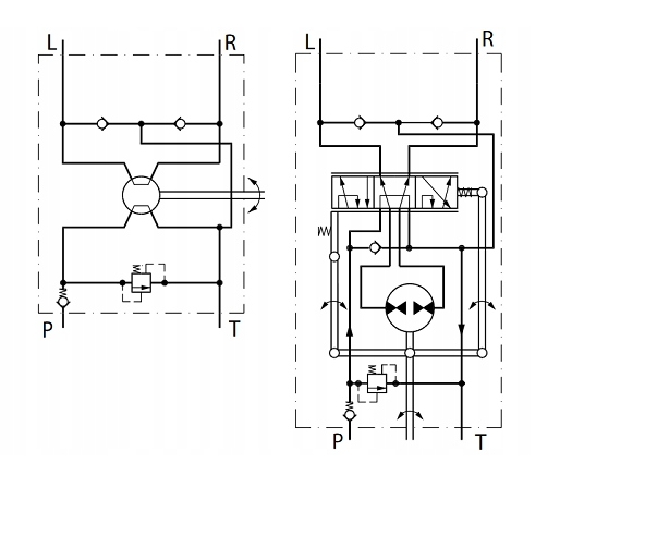
має переповнений клапан, два шок і маневруваний клапан. І точніша конструкція забезпечує ідеальну роботу без витоків, не смикаючи кермо і, що найголовніше, дуже легкий і плавний контроль навіть у високо обтяжених транспортних засобах.

  • Ми надаємо повну технічну підтримку при виборі правого орбітра та під час складання. корисно в надзвичайних ситуаціях, наприклад при буксируванні.

Технічні характеристики:

orbitrol 200 з системою або (відкрита центральна реакція), , поки кермо стоїть на маслі весь час, циркулюється в системі і проходить вільно через орбітрол, лінію повернення до резервуара, насос тоді працює, але його відносяться. Натиснення на колеса, спричинені нерівномірною місцевістю, переносяться на кермо.

З'єднання: P, T, A, B внутрішні потоки [BSP]: 1/2 "

Кріплення кріплення кісткового стовпчика: 4x гвинт M10 - 16 мм

Встановлення клапана: переповнення 160BAR, Шок 240BAR

<Геометрик: 200CM3/Prov.

Матеріал: Часний

Важлива, безпека насамперед

Орбітрол дуже точний і важливий для безпеки руху, на жаль, є багато дешевих товарів з Китаєм, що виглядає так само, а не обґрунтованою ефективністю запобігає правильному руху та роботи з трактором.

  • Спеціальний, посилений і точніше зроблений дизайн забезпечує ідеальну роботу без витоків, не смикаючи кермо і, що найголовніше, дуже легкий і плавний контроль навіть у дуже завантажених транспортних засобах.
  • Вироблений в Європі, з певного джерела, має два роки гарантії, перевірених товарів певного виробника. 4 при буксируванні.

Ми пропонуємо більшість типів гідравлічних двигунів, а також загальний асортимент у галузі сили гідравліки. Насоси, колектори, гідравлічні циліндри, клапани, гідравлічні кабелі.

Ми видаємо рахунки -фактури

Ми запрошуємо вас до співпраці