Реле 6 PIN 12В 20A для склоочисників, сумісних з VW
- Час доставки: 7-10 днів
- Стан товару: новий
- Доступна кількість: 997
Покупая «Реле 6 вывод 12V 20а для дворников, совместимых с VW», вы можете быть уверены, что данный товар из каталога «[rubrica_name]» вы получите в срок 5-7 дней после оплаты. Товар будет доставлен из Европы, проверен на целостность, иметь европейское качество.
i Переривчасті склоочисники 6 -pin склоочисники -Практикуйте контроль склоочисників (100 000 циклів, -40 ° C до 85 ° C)
Зберігайте чудову видимість у будь -яких погодних умовах!
Це 6-контактна заміна склоочисника є ключовим елементом, який забезпечує безпечне та комфортне водіння під час дощу . Завдяки точному контролю склоочисників, це гарантує оптимальну видимість , зберігаючи енергоефективність та тихої роботи .
✔ Ключові технічні параметри:
- робочий час Wiper : 3s + 3s (стандартний режим)
- Переривчастий режим : 5,5S ± 1,5s (регульований інтервал)
- Виняткова міцність : 100 000 циклів - довгих 150 МВ при 5A -Ефективних робіт
- Екстремальний імунітет : Діапазон температури -40 ° C до +85 ° C
- Універсальна напруга : 12V та 24V (для більшості транспортних засобів) Bullling> Bullowliles) Builling Bullowleles) : лише вага 29g - проста установка
✔ Інтелектуальні функції:
✅ переривчастий режим - економічна та комфортна дія
✅ Функція промивання із затримкою -ватітом вимкнено після 3-6 секунд
✅ Повна синхронізація із комбінованим комутатором та насосом для пральної машини
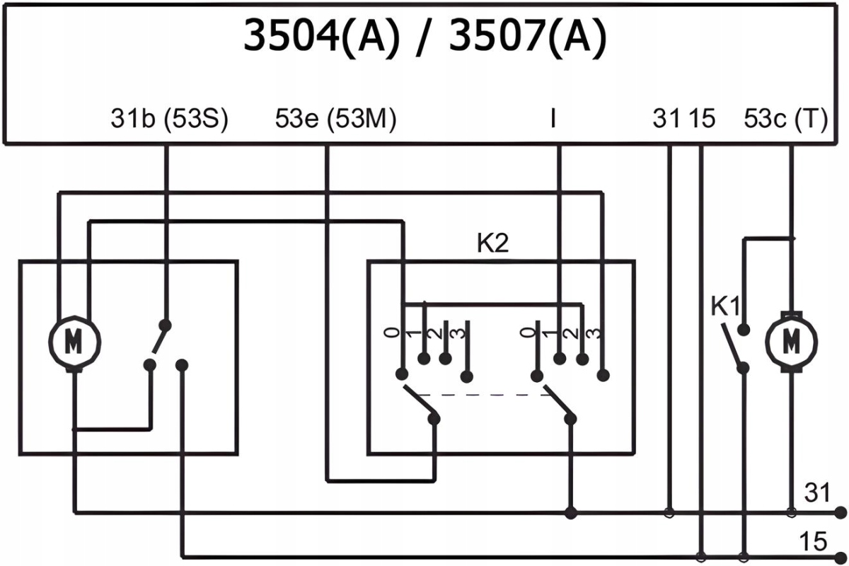
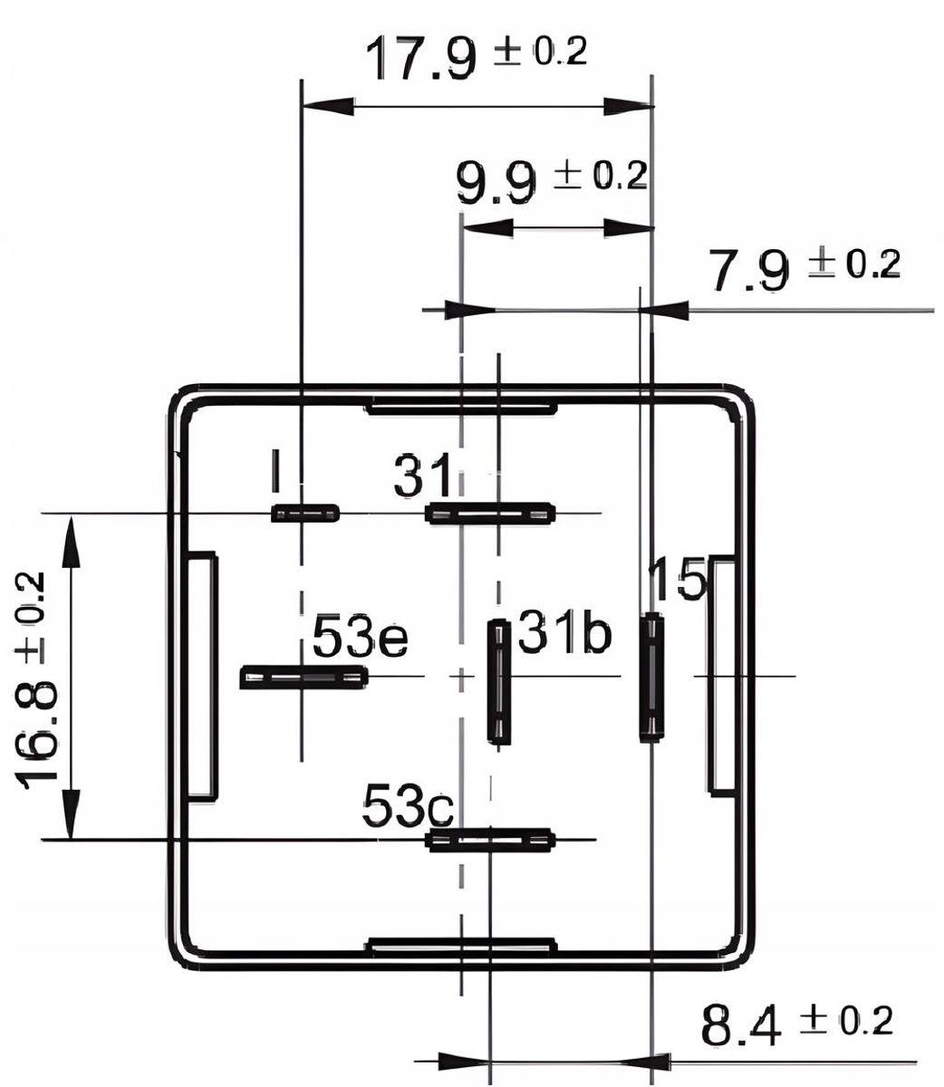
✔ Проста схема з'єднання:
- затискач 15 : +12v/ +24v (джерело живлення)
- Тампер 31 : Маса (b-)
- затискачі i/53e (53m) : комбінований контроль перемикача
✔ Чому це реле?
🔹 Підвищена безпека - Точний контроль роботи склоочисника
🔹 Енергетична економія - мінімальні падіння напруги
🔹 універсальність - сумісна з багатьма моделями автомобілів
🔹 виняткова довговічність - доведено в екстремальних умовах
ідеально підходить для:
4Примітка: Перед складанням рекомендуємо перевірити електричну схему транспортного засобу на правильне з'єднання.
Сертифікати: CE
