Розповсюджувач 2 розділи 80L, що контролюються посиланнями Nurnik


Код: 11602260857
6103 грн
Ціна вказана з доставкою в Україну
Товар є в наявності
ЯК ЕКОНОМИТИ НА ДОСТАВКЕ?
Замовляйте велику кількість товарів у цього продавця
Інформація
  • Час доставки: 7-10 днів
  • Стан товару: новий
  • Доступна кількість: 7

Приобретая «Распределитель 2 Разделы 80L, управляемые Nurnik Links», вы можете быть уверены, что данный товар из каталога «Гидравлическая система» вы получите в срок 5-7 дней после оплаты. Товар будет доставлен из Европы, проверен на целостность, иметь европейское качество.

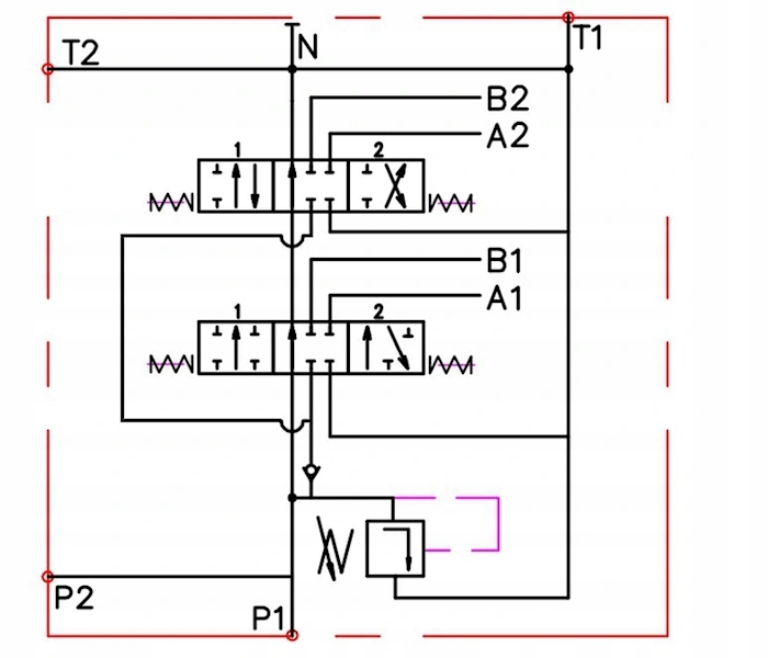
Гідравлічний дистриб'ютор 2 P80 -Контрольовані посилання з поточним розділом

Заміна на: 02p80 A1C1 GV1

Додаток:

Він широко використовується в гідравлічних системах у сільському господарстві, садах, лісовому господарстві, будівництві та широко зрозумілої галузі. Розпилювачі та раунди, циклопи, навантажувачі HDS, будівельні машини, зарядні пристрої, екскаватори, підмітальні машини, промислові машини та інші гідравлічні пристрої. , вимагає, щоб встановити колектор поза кабіною. Тільки блок управління, напр. Потік системи: 0 - 80 л/хв. p>

4 Іди джойстика. У нейтральному положенні масло переходить до передачі, і насос полегшується. - 4):

  • 0 Нейтральна позиція (джойстик встановлюється вертикально) поршневих стрижнів обох приводів - нафта переходить до передачі. Виходить. У косому положенні праворуч) поршневий стрижень другого приводу приховує.
4 >

Повернення в резервуар (T1, T2): Внутрішня нитка BSP 3/4 ''

Розділи (A1, A2; B1, B2): внутрішня нитка BSP 1/2 ''

Серійне з'єднання (N): Внутрішня нитка BSP 3/4 "

Діапазон тиску:

Максимальний тиск на джерелі живлення: 250BAR

Максимальний тиск на повернення: 50BAR

Максимальний тиск у розділах: 300BAR

заводський клапан встановлений на 180bar ± 30 бар. p> możliwość samodzielnej regulacji, pełny obrót zmiana o 30bar.

Zalecany Zakresatur oleju:

dopusczalna temperaturata otoczenia: -40 c до +60 c

Допустима температура масла: -15 С до +80 С

Ми також пропонуємо загальний асортимент у галузі сили гідравліки. Насоси, колектори, гідравлічні циліндри, клапани, гідравлічні кабелі.